联系我们
山西一拓国土工程咨询有限公司
山西绿禹生态科技有限公司
电话:0351-6873420 6873986
邮编:030024
邮箱:2966015310@qq.com
地址:太原市万柏林区望景路浙江大厦917室
发布者: 添加时间:2020-07-15
导读:为进一步提高工程造价管理水平,完善我省建设工程计价依据,切实发挥计价依据的行业指导作用,更好地服务于工程建设的需要,山西省住房和城乡建设厅发布《山西省建设工程计价依据》(2018)补充定额、定额调整及更正(第一批)共10项,与《山西省建设工程计价依据》(2018)配套执行。
各市住房城乡建设局,各有关单位:
为进一步提高工程造价管理水平,完善我省建设工程计价依据,切实发挥计价依据的行业指导作用,更好地服务于工程建设的需要,按照住建部《建设工程定额管理办法》(建标〔2015〕230号)的规定,并根据《山西省建设工程计价依据》(2018)实施以来的反馈意见,经认真调研和测算,现发布《山西省建设工程计价依据》(2018)补充定额、定额调整及更正(第一批)共10项,与《山西省建设工程计价依据》(2018)配套执行。执行中的发现问题,请及时反馈我厅。
联系人及电话:赵玉彬 0351-3580073 冯明洲 0351-3580121
电 子 邮 箱:sxdezde3121@163.com
山西省住房和城乡建设厅
2020年7月7日
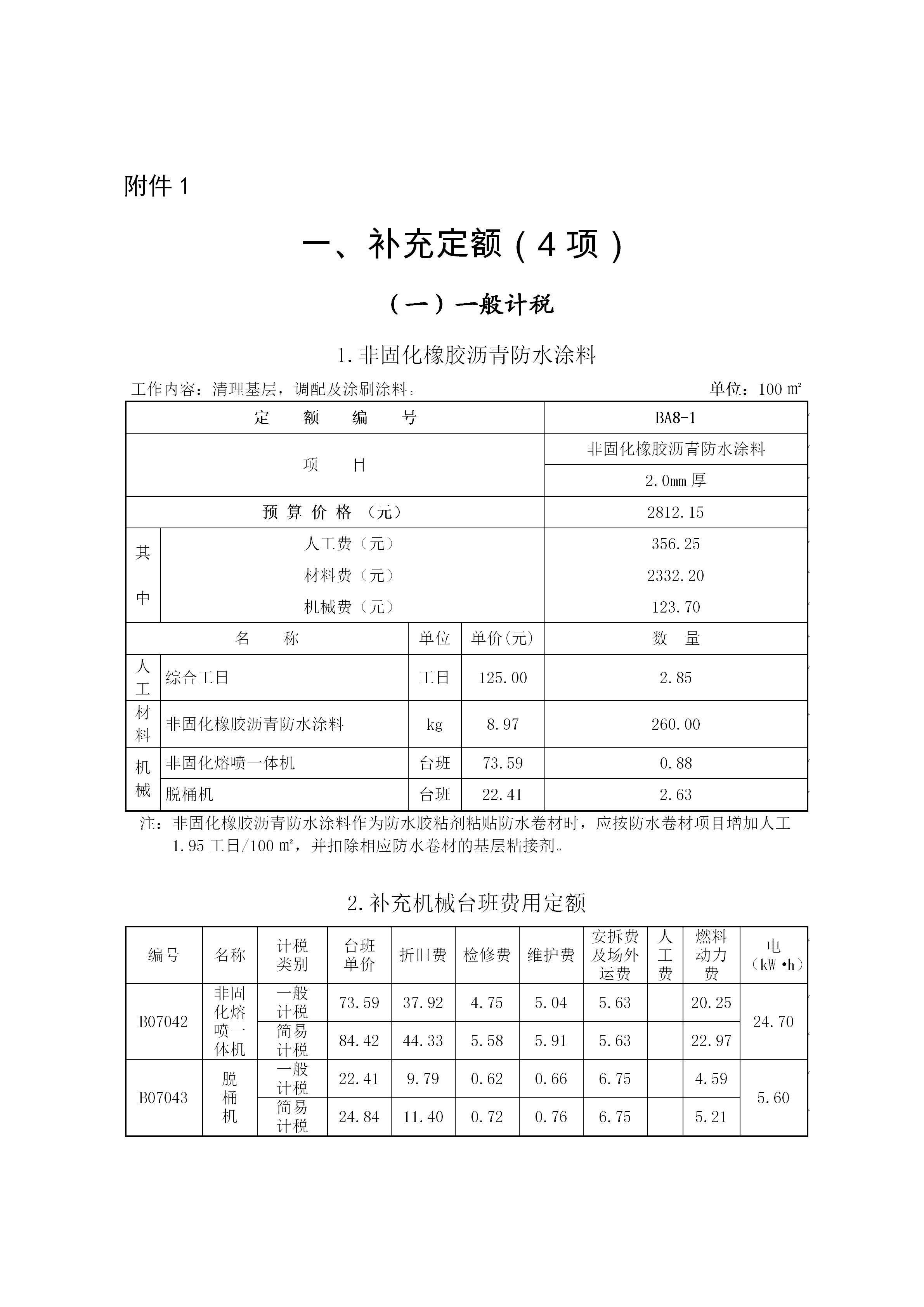
附件1.补充定额(4项).doc
附件2.定额调整(1项).doc
附件3.定额更正(5项).doc





文章来源:山西省住房和城乡建设厅
|
版权所有:山西一拓国土工程咨询有限公司、山西绿禹生态科技有限公司 备案号:晋ICP备15008080号-1
|